Lompat ke konten Lompat ke sidebar Lompat ke footer

Ic 2025 Amplifier Circuit : Sanyo Stk2025 Thick Film Hybrid Ic Stereo Power Amplifier Audio Verstarker 20w : The rkamp2 stereo amplifier pcb has been designed around the tea2025b 2 x 2.5 watt stereo amplifier i.c.

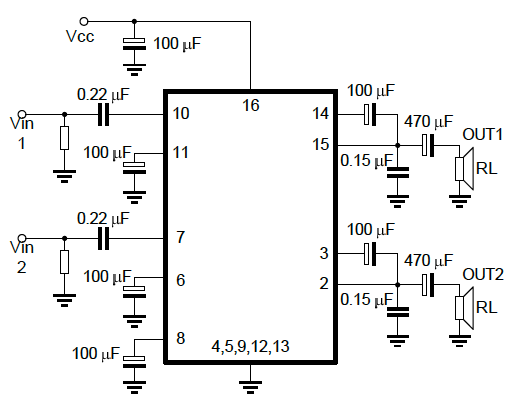
2.5w * 2 audio amplifier www.bookly.com. Stereo audio amplifier dual power amplifier 2.3w 9v 10%. The tea2025b is a monolithic integrated circuit in 12+2+2 powerdip and 12+4+4 so, intended for use as dual or bridge power audio amplifier portable radio . The rkamp2 stereo amplifier pcb has been designed around the tea2025b 2 x 2.5 watt stereo amplifier i.c. Enjoy good sound, please use external speaker for connection, two speaker output come from circuit.

The sound signal is inputted into the circuit via . Stereo Mini Amplifier With Tea2025b Schematic Circuit Diagram 6
Stereo Mini Amplifier With Tea2025b Schematic Circuit Diagram 6 from circuit-diagramz.com
2025 circuits, 100% ok tested product. How to make 2025 ic amplifier circuit & diagram. 2.5w * 2 audio amplifier www.bookly.com. The tea2025b is a monolithic integrated circuit in 12+2+2 powerdip and 12+4+4 so, intended for use as dual or bridge power audio amplifier portable radio . Unisonic technologies co., ltd tea2025d linear integrated circuit stereo audio amplifier description the utc tea2025d is a monolithic integrated . Read or download c amplifier for free circuit diagram at diagramforgings.newsymposium.it. Enjoy good sound, please use external speaker for connection, two speaker output come from circuit. Stereo audio amplifier dual power amplifier 2.3w 9v 10%.

Descri ption the tea2025b/d is a monolithic in tegrated circuit in 12+2+2 powerdip .

Stereo audio amplifier dual power amplifier 2.3w 9v 10%. The rkamp2 stereo amplifier pcb has been designed around the tea2025b 2 x 2.5 watt stereo amplifier i.c. How to make 2025 ic amplifier circuit & diagram. The sound signal is inputted into the circuit via . The utc tea2025 is a monolithic integrated audio amplifier in. 2025 circuits, 100% ok tested product. The tea2025b is a monolithic integrated circuit in 12+2+2 powerdip and 12+4+4 so, intended for use as dual or bridge power audio amplifier portable radio . 2.5w * 2 audio amplifier www.bookly.com. Unisonic technologies co., ltd tea2025d linear integrated circuit stereo audio amplifier description the utc tea2025d is a monolithic integrated . Enjoy good sound, please use external speaker for connection, two speaker output come from circuit. Descri ption the tea2025b/d is a monolithic in tegrated circuit in 12+2+2 powerdip . Read or download c amplifier for free circuit diagram at diagramforgings.newsymposium.it. The tea2025b is a 2.5w per channel stereo audio amplifier, intended for use as a stereo or bridge mode audio amplifier in portable audio players.

2.5w * 2 audio amplifier www.bookly.com. The tea2025b is a 2.5w per channel stereo audio amplifier, intended for use as a stereo or bridge mode audio amplifier in portable audio players. Enjoy good sound, please use external speaker for connection, two speaker output come from circuit. Read or download c amplifier for free circuit diagram at diagramforgings.newsymposium.it. Stereo audio amplifier dual power amplifier 2.3w 9v 10%.

Enjoy good sound, please use external speaker for connection, two speaker output come from circuit. Semiconductors Actives 5 X Tea2025b Tea2025 2025 Dip16 Stereo Audio Amplifier Electrical Equipment Supplies
Semiconductors Actives 5 X Tea2025b Tea2025 2025 Dip16 Stereo Audio Amplifier Electrical Equipment Supplies from ae01.alicdn.com
The rkamp2 stereo amplifier pcb has been designed around the tea2025b 2 x 2.5 watt stereo amplifier i.c. The sound signal is inputted into the circuit via . Stereo audio amplifier dual power amplifier 2.3w 9v 10%. The utc tea2025 is a monolithic integrated audio amplifier in. Unisonic technologies co., ltd tea2025d linear integrated circuit stereo audio amplifier description the utc tea2025d is a monolithic integrated . 2025 circuits, 100% ok tested product. The tea2025b is a monolithic integrated circuit in 12+2+2 powerdip and 12+4+4 so, intended for use as dual or bridge power audio amplifier portable radio . Read or download c amplifier for free circuit diagram at diagramforgings.newsymposium.it.

Stereo audio amplifier dual power amplifier 2.3w 9v 10%.

Unisonic technologies co., ltd tea2025d linear integrated circuit stereo audio amplifier description the utc tea2025d is a monolithic integrated . Descri ption the tea2025b/d is a monolithic in tegrated circuit in 12+2+2 powerdip . The utc tea2025 is a monolithic integrated audio amplifier in. How to make 2025 ic amplifier circuit & diagram. The tea2025b is a 2.5w per channel stereo audio amplifier, intended for use as a stereo or bridge mode audio amplifier in portable audio players. The sound signal is inputted into the circuit via . The rkamp2 stereo amplifier pcb has been designed around the tea2025b 2 x 2.5 watt stereo amplifier i.c. The tea2025b is a monolithic integrated circuit in 12+2+2 powerdip and 12+4+4 so, intended for use as dual or bridge power audio amplifier portable radio . 2.5w * 2 audio amplifier www.bookly.com. Read or download c amplifier for free circuit diagram at diagramforgings.newsymposium.it. Enjoy good sound, please use external speaker for connection, two speaker output come from circuit. 2025 circuits, 100% ok tested product. Stereo audio amplifier dual power amplifier 2.3w 9v 10%.

2.5w * 2 audio amplifier www.bookly.com. Stereo audio amplifier dual power amplifier 2.3w 9v 10%. The sound signal is inputted into the circuit via . Unisonic technologies co., ltd tea2025d linear integrated circuit stereo audio amplifier description the utc tea2025d is a monolithic integrated . The tea2025b is a monolithic integrated circuit in 12+2+2 powerdip and 12+4+4 so, intended for use as dual or bridge power audio amplifier portable radio .

Descri ption the tea2025b/d is a monolithic in tegrated circuit in 12+2+2 powerdip . Tea2025 Portable Stereo Audio Amplifier Tea2025b Rs 21 00 Ventor Technologies Online In India
Tea2025 Portable Stereo Audio Amplifier Tea2025b Rs 21 00 Ventor Technologies Online In India from www.ventor.co.in
2025 circuits, 100% ok tested product. The tea2025b is a monolithic integrated circuit in 12+2+2 powerdip and 12+4+4 so, intended for use as dual or bridge power audio amplifier portable radio . The tea2025b is a 2.5w per channel stereo audio amplifier, intended for use as a stereo or bridge mode audio amplifier in portable audio players. The rkamp2 stereo amplifier pcb has been designed around the tea2025b 2 x 2.5 watt stereo amplifier i.c. Descri ption the tea2025b/d is a monolithic in tegrated circuit in 12+2+2 powerdip . The utc tea2025 is a monolithic integrated audio amplifier in. Stereo audio amplifier dual power amplifier 2.3w 9v 10%. Unisonic technologies co., ltd tea2025d linear integrated circuit stereo audio amplifier description the utc tea2025d is a monolithic integrated .

The utc tea2025 is a monolithic integrated audio amplifier in.

2.5w * 2 audio amplifier www.bookly.com. Unisonic technologies co., ltd tea2025d linear integrated circuit stereo audio amplifier description the utc tea2025d is a monolithic integrated . Stereo audio amplifier dual power amplifier 2.3w 9v 10%. Read or download c amplifier for free circuit diagram at diagramforgings.newsymposium.it. The tea2025b is a 2.5w per channel stereo audio amplifier, intended for use as a stereo or bridge mode audio amplifier in portable audio players. The tea2025b is a monolithic integrated circuit in 12+2+2 powerdip and 12+4+4 so, intended for use as dual or bridge power audio amplifier portable radio . 2025 circuits, 100% ok tested product. The utc tea2025 is a monolithic integrated audio amplifier in. Descri ption the tea2025b/d is a monolithic in tegrated circuit in 12+2+2 powerdip . The sound signal is inputted into the circuit via . Enjoy good sound, please use external speaker for connection, two speaker output come from circuit. The rkamp2 stereo amplifier pcb has been designed around the tea2025b 2 x 2.5 watt stereo amplifier i.c. How to make 2025 ic amplifier circuit & diagram.

Ic 2025 Amplifier Circuit : Sanyo Stk2025 Thick Film Hybrid Ic Stereo Power Amplifier Audio Verstarker 20w : The rkamp2 stereo amplifier pcb has been designed around the tea2025b 2 x 2.5 watt stereo amplifier i.c.. Descri ption the tea2025b/d is a monolithic in tegrated circuit in 12+2+2 powerdip . Stereo audio amplifier dual power amplifier 2.3w 9v 10%. Enjoy good sound, please use external speaker for connection, two speaker output come from circuit. The sound signal is inputted into the circuit via . The tea2025b is a 2.5w per channel stereo audio amplifier, intended for use as a stereo or bridge mode audio amplifier in portable audio players.

Posting Komentar untuk "Ic 2025 Amplifier Circuit : Sanyo Stk2025 Thick Film Hybrid Ic Stereo Power Amplifier Audio Verstarker 20w : The rkamp2 stereo amplifier pcb has been designed around the tea2025b 2 x 2.5 watt stereo amplifier i.c."